가스절연개폐기 감시 시스템
GIS-DM 가스 절연 개폐기 모니터링 및 진단 시스템
- "GIS-DM"모니터링 시스템 (가스 절연 시스템 - 진단 모니터)는 가스 절연 스위치 기어 (GIS), 기기 및 가스 변압기, 차단기 등 가스 절연 장비의 온라인 모니터링에 사용되는 장비이다.
- "GIS-DM“에 의한 GIS PD 측정은 UHF 주파수 대역에서 PD 측정에 기초하여 이루어진다. PD 측정 방법은 고전압 (HV) 절연 모니터링에 가장 민감하고 효과적이다.
사용 센서
- ACS 센서
- "ACS"고주파 센서는 가스 절연 기기에 내장하는 전자기 안테나이다. 센서는 일반적으로 GIS의 액세스 커버의 내측에 설치된다. 현장에서 센서를 설치하는것이 어렵기 때문에 "ACS"센서는 가스 절연 기기의 제조자가 설치하여야한다.
- AES 센서
- "AES" 부분방전 센서는 GIS 외부 표면의 방사선 투과성 절연 스페이서에 설치한다.
- "AES" 센서는 방사선 투과성 스페이서의 절연 가스를 통해 나오는 전자기 펄스를 측정한다. 이 센서는 온라인 모니터링/휴대형 장비 중 하나에 쉽게 설치 할수 있다.
"GIS-DM" 시스템은 최신 기술 솔루션에 기초한다!!
"GIS-DM" 모니터링 시스템은 총 6개의 채널로 동시에(Simultenious) 측정 한다. 이 기능은 GIS에 설치된 두 개의 부분방전 센서로 부분방전 펄스 도달 시간을 분석하여 효율적인 부분방전 "GIS-DM" 모니터링 시스템은 총 6개의 채널로 동시에(Simultenious) 측정 한다. 이 기능은 GIS에 설치된 두 개의 부분방전 센서로 부분방전 펄스 도달 시간을 분석하여 효율적인 부분방전 검출 및 GIS내부의 절연 불량 위치를 판별 한다.
부분방전 신호의 측정은 기기의 모든 체널에서 광대역 주파수 범위(HF~ UHF : 50KHz ~ 1,500MHz)를 포함하며 이를 이용하여 GIS/Cable PD를 구별한다.
“GIS-DM"의 중요한 기능은 특별한 소프트웨어에 있다!!
GIS의 "GIS-DM" 시스템 설치 "GIS-DM" 한 대(6채널)로 GIS의 한 섹션을 감시하기 충분하다. 그림은 GIS의 한 섹션에 6개의 "AES" 외장센서가 설치된 예시이다.
모니터링 가스 절연부는 전류 변성기 (CT)와, 차단기 (B), 및 상기 버스 부분(C1-C2)의 교환을 위한 두 분리기(D)로 측정된 케이블 종단에 이루어진다. 여섯 개의 센서(S1-S6)는 GIS 절연 상태 모니터링, 결함의 위치뿐만 아니라, HV 케이블 절연 상태 모니터링을 제공한다.
PD 센서(CDR-S, RFCT-4 또는 "RFCT-7)와, 필요가 있으면, 온도 센서는 "GIS-DM" 시스템의 측정 장치에 활용 될 수 있다. 그것은 GIS에 연결된 고압 케이블의 PD 모니터링을 할 수 있다. 추가로, 케이블들을 따라서 PD 펄스 분포의 탐상 도형을 보는 것이 가능하고 온라인 케이블의 결함을 찾을 수 있다.
가스 절연 변전소의 다목적 모니터링 시스템에서 "GIS-DM" 통합
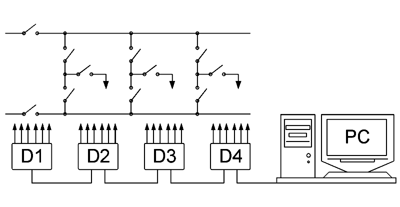
크고 복잡한 GIS에 대한 모니터링 시스템의 생성은 시스템 통합을 위해 몇 가지 GIS-DM 장치와 함께 특별한 하드웨어와 소프트웨어가 요구되어 진다. 하나의 모니터링 시스템에 통합할 몇 가지 GIS-DM 장치는 다음과 같은 조건이 충족되어 져야 한다.
- 광케이블로 연결한 모든 측정 장치에서의 PD 펄스 측정 동기화; 이것은 노이즈 제거를 향상시키고 절연 불량 위치를 글로벌하게 만든다.
- 복잡한 GIS에서 PD 펄스들을 분석하기 위한 하나의 공용 컴퓨터에 있는 모든 장치들에 의해 주어진 정보를 통합.
이러한 모든 진단 기능은 GPS 신호를 이용하여 나노초~수십 나노초 내에 광통신으로 정확하게 동기화로 실현된다.
GIS-DM 시스템 사양
| 정격 전압(kV) | 3.3 ~ 765kV |
|---|---|
| 입력채널 | 6 |
| PD 측정 범위(MHz) | 0,1~1000,0 |
| 고주파 펄스 진폭(mV) | 1~10000 |
| PD 센서의 종류 | ACS, AES, RFCT, CDR-S |
| 연결가능 GIS-DM 장비 | 125 |
| 온도 측정 채널 수 | 7 이상 |
| 습도 측정 채널 수 | 1 |
| SCADA 연결 인터페이스 | Ethenet, RS-485 |
| 온도 범위(℃) | -40 ~ +65 |
| 시스템 전원 전압(V) | AC/DC 120~260 |
| GIS-DM 치수(mm) | 400 x 230 x 110 |
